登錄
|
註冊
退出
Toggle navigation
首頁
關於我們
產品類別
聯繫我們
購物車
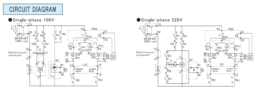
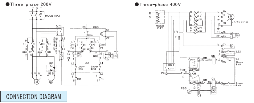
BX SHINSEI SEIKI 捲閘馬達
USA-400G
HK$
0
數量
-
+
加入購物車
立即購買
產品說明
產品類目
BX SHINSEI SEIKI 捲閘馬達
CHIYODA SEIKI 日本千代田風煤器材
KOVET 泰國品牌風煤器材
CHOSUN電焊支CR-13/LC-300
WELDAS 美國品牌燒焊保護衣物
KOBELCO LB-52 日本拉力電焊支
KISWEL 電焊支及不鏽鋼電焊支
RILAND 中國品牌各類焊接機
JSP 英國武士牌802手揸焊罩
PERMANENT 中國永久牌電焊支MT-12
焊接配件